Damiks Kirjoitettu 17. Toukokuuta, 2018 Kirjoitettu 17. Toukokuuta, 2018 Eli -88 vm camaro kyseessä. Ajoin kahville, join kahvin, starttasin ja lähti ilosesti käyntiin. Sitten sammui, eikä käynnisty enää. Startti pyörii ilosesti. Polttoainepumpulle ei tule virtaa, mutta kuskin jalkatilan kaikki sulakkeet ehjiä. Mites tuo rele(tjsp) ohituskikka tehdään, kun siitä jostakin luin. Samalla voi heittää ehdotuksia ulkoselle pumpulle, joka siirtäs riittävästi löpöä.
F350 Kirjoitettu 17. Toukokuuta, 2018 Kirjoitettu 17. Toukokuuta, 2018 Sytkämoduli, nouseeko kiekkamittari startatessa? Jos ei vika siinä. Jos nousee, seuraava arvaus akku, TPI tarvii kunnon jännitteen, että lähtee käyntiin. Akun navat kannattaa tsekata kans.
Damiks Kirjoitettu 17. Toukokuuta, 2018 Kirjoittaja Kirjoitettu 17. Toukokuuta, 2018 Sytkämoduli, nouseeko kiekkamittari startatessa? Jos ei vika siinä. Jos nousee, seuraava arvaus akku, TPI tarvii kunnon jännitteen, että lähtee käyntiin. Akun navat kannattaa tsekata kans. Kierrokset nousee, akussa jännite ~12.7 ja melko uusi akkukin. Mistäs löytyy tuo p-pumpun rele, ja kuinkas sen testais? Kun ei pumpulle tule virtaa missään vaiheessa.
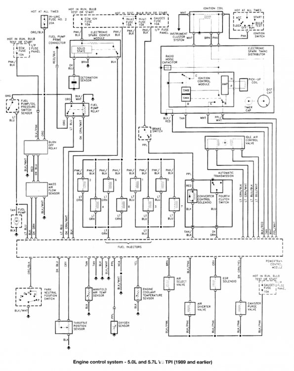
Fenix Kirjoitettu 17. Toukokuuta, 2018 Kirjoitettu 17. Toukokuuta, 2018 Pumpun rele on konetilassa jarrunestesäiliön takana rintapellissä. Tarkista ensin sulake akun vierestä. http://i646.photobucket.com/albums/uu185/pakana81/14380117_886932141407075_8150829512111284954_o_zpsrtwaacar.jpg
Damiks Kirjoitettu 17. Toukokuuta, 2018 Kirjoittaja Kirjoitettu 17. Toukokuuta, 2018 Pumpun rele on konetilassa jarrunestesäiliön takana rintapellissä. Tarkista ensin sulake akun vierestä. http://i646.photobucket.com/albums/uu185/pakana81/14380117_886932141407075_8150829512111284954_o_zpsrtwaacar.jpg Onko tuolle oma sulake vielä muuallakin, kun ratin alla - jossa kaikki sulakkeet ehjiä.
Fenix Kirjoitettu 17. Toukokuuta, 2018 Kirjoitettu 17. Toukokuuta, 2018 Onko tuolle oma sulake vielä muuallakin, kun ratin alla - jossa kaikki sulakkeet ehjiä. Tuota kautta kulkee osa ecun jännitteestä. Ja ecu ohjaa pumpun relettä.
Fenix Kirjoitettu 17. Toukokuuta, 2018 Kirjoitettu 17. Toukokuuta, 2018 Kuvassa releet. Releet saattavat olla väärässä järjestyksessä. Pumpun releelle tulee 5-johtoa; oranssi=12v, punainen=obd, musta/valkoinen=maa, vihreä/valkoinen ecm ja ruskea/valkoinen on joku engl. Ops.
F350 Kirjoitettu 17. Toukokuuta, 2018 Kirjoitettu 17. Toukokuuta, 2018 Kierrokset nousee, akussa jännite ~12.7 ja melko uusi akkukin. Mistäs löytyy tuo p-pumpun rele, ja kuinkas sen testais? Kun ei pumpulle tule virtaa missään vaiheessa. ALDL liittimen vasen alhaalla, siihen johdolla akulta +12V, niin pumpun pitäis alkaa pyöriä.
Damiks Kirjoitettu 17. Toukokuuta, 2018 Kirjoittaja Kirjoitettu 17. Toukokuuta, 2018 Joo, elikkäs releestä piuhat paremmin kiinni ja 27m teippiä pois niin johan läks. Nyt vaan alko kuulumaan kilke koneesta? En kauan viittinyt pitää päällä, mutta mitä skenaarioita tossa nyt vois muka olla? Eli normi käynnistä --> starttausyrityksiä ilman löpöä -> käyntiin ja kilke kuuluu.
Teac Kirjoitettu 18. Toukokuuta, 2018 Kirjoitettu 18. Toukokuuta, 2018 Miten se öljyn suodattimen jalassa oleva painekytkin / öljynpaine anturi? Onko öljynpaineet kohdallaan? Tosin kytkin voi hajota vaikka mittarin anturi olisikin ehjä. Ja mittari voi näyttää järkevää arvoa vaikka painetta ei todellisuudessa olekaan. Tuli vaan mieleen tuo kilkatus...
Fenix Kirjoitettu 18. Toukokuuta, 2018 Kirjoitettu 18. Toukokuuta, 2018 Ääni hävisi yön aikana. https://www.overdrive.fi/forum/threads/305-tpi-ei-kaeynnisty.308255/#post-3343071 quote author=Teac link=topic=68499.msg684825#msg684825 date=1526664973] Miten se öljyn suodattimen jalassa oleva painekytkin / öljynpaine anturi? Onko öljynpaineet kohdallaan? Tosin kytkin voi hajota vaikka mittarin anturi olisikin ehjä. Ja mittari voi näyttää järkevää arvoa vaikka painetta ei todellisuudessa olekaan. Tuli vaan mieleen tuo kilkatus... Ja eikös joissakin vuosimalleissa ole erilliset öp-anturit mittarille ja bensapumpulle. Omissa - 89 & - 90 TPI:ssä ollut vain 1.
Teac Kirjoitettu 18. Toukokuuta, 2018 Kirjoitettu 18. Toukokuuta, 2018 Totta turiset, mutta kannattaisi ehkä tarkistaa se anturi ja paineet. -91 mallissa on myös vain 1-anturi joka hoitaa sekä mittarin että kytkimen. Pahoittelut hieman huonosta skannaus jäljestä.
Damiks Kirjoitettu 19. Toukokuuta, 2018 Kirjoittaja Kirjoitettu 19. Toukokuuta, 2018 Kiitos kaikille vastauksista. Kone käy nyt mukavasti, tuntuu olevan kaikki kunnossa ja kilkatus katos pienen ajelun myötä. Öljynpaineet ~30 näyttää mittari kun ajelee rauhallista normimenoa.
Recommended Posts
Luo uusi käyttäjätili tai kirjaudu sisään
Sinun täytyy olla jäsen osallistuaksesi keskusteluun
Luo käyttäjätili
Rekisteröi uusi käyttäjätili helposti ja nopeasti!
Luo uusi käyttäjätiliKirjaudu sisään
Sinulla on jo käyttäjätili?
Kirjaudu sisään