BB Kirjoitettu 1. Syyskuuta, 2018 Kirjoitettu 1. Syyskuuta, 2018 Ostin talvi autoksi -90 RS 305tbi manuaalin. Onko autossa muuta ns.lämppärin hanaa kuin tuo alipaine ohjattu konehuoneessa,tarkoitus oli laittaa TT letkulämppäri kun lohkis on pimeänä mutta on aika monimutkainen tuo lämppärin letkutus eikä itselle vielä avautunut kuinka tuo toimii.
GTATL Kirjoitettu 1. Syyskuuta, 2018 Kirjoitettu 1. Syyskuuta, 2018 Se alipaineventtiili toimii vain kun laittaa ilmastoinnin päälle = lämppärinkennon ohikierto aukeaa. Muuten kennossa kulkee kokoajan kuuma jäähdytysneste.
Fenix Kirjoitettu 1. Syyskuuta, 2018 Kirjoitettu 1. Syyskuuta, 2018 Panosta renkaisiin ja siirrä painoa takapyörille (akku). Lämmitys ei suurin murhe, mutta takalasi tahtoo huurtua ja tiivisteet liimautua. Siispä talli tai sisätilalämmitin suositeltava. Automaatilla ihan kamala talvella
BB Kirjoitettu 1. Syyskuuta, 2018 Kirjoittaja Kirjoitettu 1. Syyskuuta, 2018 Se alipaineventtiili toimii vain kun laittaa ilmastoinnin päälle = lämppärinkennon ohikierto aukeaa. Muuten kennossa kulkee kokoajan kuuma jäähdytysneste. Toimiiko lämmönsäätö jos apinoin nuo letkutukset ilman a/c ta olevasta autosta?
BB Kirjoitettu 1. Syyskuuta, 2018 Kirjoittaja Kirjoitettu 1. Syyskuuta, 2018 Panosta renkaisiin ja siirrä painoa takapyörille (akku). Lämmitys ei suurin murhe, mutta takalasi tahtoo huurtua ja tiivisteet liimautua. Siispä talli tai sisätilalämmitin suositeltava. Automaatilla ihan kamala talvella Ajoin aikanaan monta vuotta ympäri vuoden -88 iroc-z tpi manuskalla,tosin tässä ei ole lukkoa perässä muuten helpompi tällainen pieni tehoisempi on. Kokemusta myös -95 z28 manuskalla ja -71 396bb autom talviautoilusta.Omat haasteethan siinä on mutta pärjää kyllä.
BB Kirjoitettu 1. Syyskuuta, 2018 Kirjoittaja Kirjoitettu 1. Syyskuuta, 2018 Toimiiko lämmönsäätö jos apinoin nuo letkutukset ilman a/c ta olevasta autosta? Säädetäänkö lämpöä pelkällä ilma läpällä vai säädetäänkö vesikiertoakin ilman a/c.ta Huonosti löytyy diagrammia ,luultavasti vika hakusanoissa.
TransNAM Kirjoitettu 1. Syyskuuta, 2018 Kirjoitettu 1. Syyskuuta, 2018 Ainakin ac-malleissa on lämmönsäätö vain läpällä. Venttiilihässäkällä ohitetaan lämppärin kenno max-ac asennossa. Suomen oloissa joutaa koko venttiili poiskin. Tulee kyllä tarpeeks kylmää ilmankin jos ac on kunnossa. Letkulämppärin kytkentä riippuu kumman lämmitys on ensisijainen - koneen vai ohjaamon? Eli periaatteessa joko lämppärille menevään letkuun virtaus lämppärille päin tai koneelle tulevaan toisinpäin. Kannattaa tarkistaa ettei kiertoa tule syylärin kautta. Muuten lämmität vain ulkoilmaa ja ettei pumppu paina nesteen normaalia kiertosuuntaa vastaan.
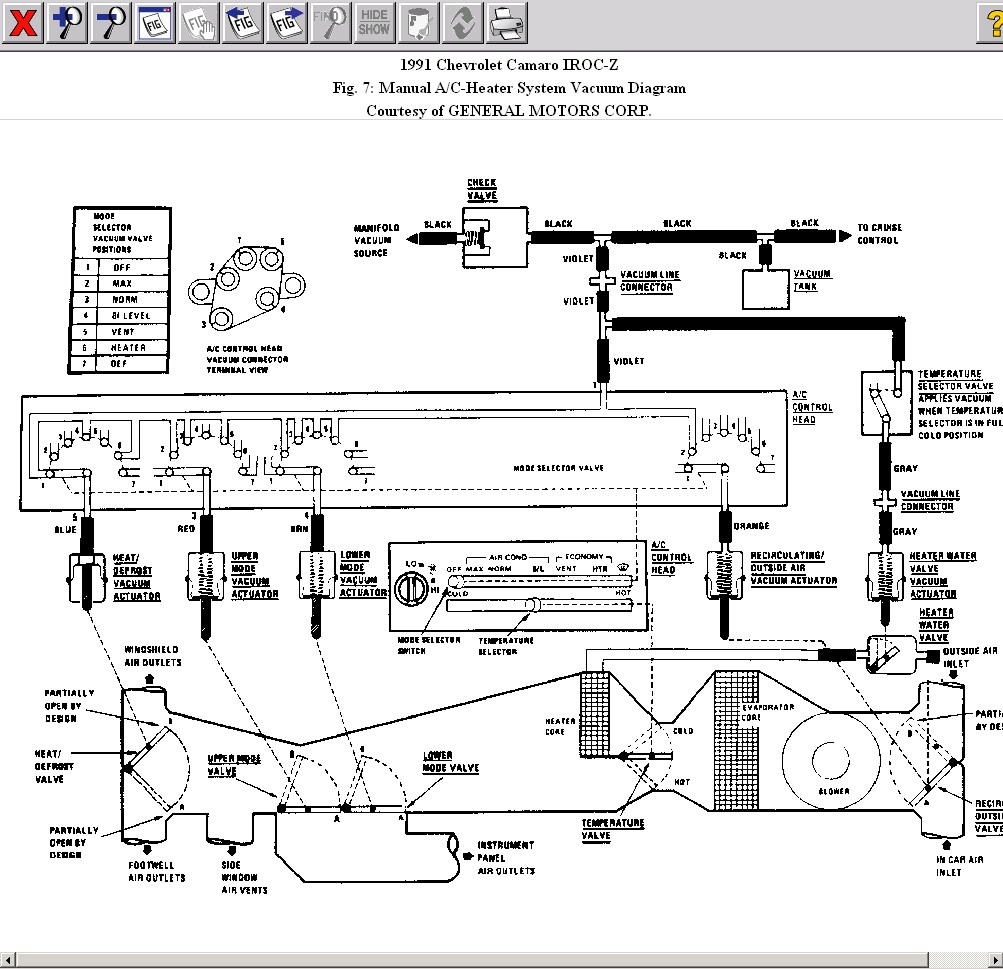
GTATL Kirjoitettu 1. Syyskuuta, 2018 Kirjoitettu 1. Syyskuuta, 2018 Tässä on hyvä kuva HVAC systeemistä.
TransNAM Kirjoitettu 1. Syyskuuta, 2018 Kirjoitettu 1. Syyskuuta, 2018 Tässä on hyvä kuva HVAC systeemistä. Eikös kyseessä ollut nestepuoli...
GTATL Kirjoitettu 1. Syyskuuta, 2018 Kirjoitettu 1. Syyskuuta, 2018 Eikös kyseessä ollut nestepuoli... Mun mielestä tossa kuvassa on heater water valve ja heater core voi tietysti olla väärässäkin.
BB Kirjoitettu 1. Syyskuuta, 2018 Kirjoittaja Kirjoitettu 1. Syyskuuta, 2018 Non a/c versiossa ei ole ainakaan konehuoneessa vesiventtiiliä kennolle,taidanpa poistaa koko venttiilin sotkemasta omaa päätäni ja konehuonetta.
gmc63 Kirjoitettu 2. Syyskuuta, 2018 Kirjoitettu 2. Syyskuuta, 2018 Panosta renkaisiin ja siirrä painoa takapyörille (akku). Lämmitys ei suurin murhe, mutta takalasi tahtoo huurtua ja tiivisteet liimautua. Siispä talli tai sisätilalämmitin suositeltava. Automaatilla ihan kamala talvella Miten niin se on kaasupolkimen asennosta riippuva
Jani Kirjoitettu 30. Lokakuuta, 2018 Kirjoitettu 30. Lokakuuta, 2018 Löytyykö keltään hyvää kuvaa tuosta nappilämppäristä? Pitää se niputtaa tuohon autoon takaisin paikalleen. uuden kaapelit siihen on, mutta kaikki muu on unohtunut kun purkamisesta on jo muutama vuosi mennyt
Recommended Posts
Luo uusi käyttäjätili tai kirjaudu sisään
Sinun täytyy olla jäsen osallistuaksesi keskusteluun
Luo käyttäjätili
Rekisteröi uusi käyttäjätili helposti ja nopeasti!
Luo uusi käyttäjätiliKirjaudu sisään
Sinulla on jo käyttäjätili?
Kirjaudu sisään