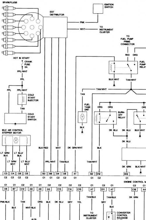
BlackZ Kirjoitettu 12. Tammikuuta, 2007 Kirjoitettu 12. Tammikuuta, 2007 Nyt pitäis tuo Megasquirt muuttaa vielä tuolle GM 7pin HEI -jakajalle sopivaksi ja tätä tietoa tarvitaan adapterin rakentamisessakin. Eli tarvisin HEI jakajan johtojen väreille selitykset. Mutta tuosta autozonen piirikaaviosta ei ainakaan selviä mikä mikin johto on. Tuossa liitteenä olevassa kuvassa jakajalta lähtee 4 johtoa, jotka menevät ECM:n liittimen paikkoihin (kts liite): ECM-LIITIN JOHDON VÄRI B3 BLK/RED B5 PPL/WHT D4 WHT D5 TAN/BLK Tästä linkistä löytyy kuva, miten HEI -jakaja kytketään MS:ään: http://megasquirt.sourceforge.net/extra/setup-hei7.html Eli mikä noista navoista (B3, B5, D4, D5) nyt kytketään mihinkin MS:n (kts. linkki) napaan (pin25, pin24, pin27, GND)..?? Ku tuossa autozonen kytkentäkuvassa ei noille väreille ole mitään selityksiä ja ne pitäis nyt tietää... En voi autostakaan tarkistaa ku se on siellä 100km:n päässä... Ja tulipa taas niin sekava viesti et hohhoijjaa, koittakaa ymmärtää mitä tarkoitin...
BlackZ Kirjoitettu 12. Tammikuuta, 2007 Kirjoittaja Kirjoitettu 12. Tammikuuta, 2007 auttaisko tää kuva Kiitos, ehkä hieman mutta ei ihan täysin ainakaan vielä aukea mulle.. Tarkentaisitko vielä mitä noissa B3, B5, D4 ja D5 kohdissa lukee. Ilmeisesti bypass, est, reference ja ign gnd..? Mitäs tuo est tarkoittaa??
GTATL Kirjoitettu 12. Tammikuuta, 2007 Kirjoitettu 12. Tammikuuta, 2007 älä nyt viitsi naurattaa, insinööri melkein ja ei ymmärrä. pistä säkällä onhan tossa 25% todennäköisyys että onnistuu
BlackZ Kirjoitettu 12. Tammikuuta, 2007 Kirjoittaja Kirjoitettu 12. Tammikuuta, 2007 älä nyt viitsi naurattaa, insinööri melkein ja ei ymmärrä. pistä säkällä onhan tossa 25% todennäköisyys että onnistuu Joo ei sillä oliskaan niin merkitystä ku vois tehä säkällä ja kokeilla, vaan ku suunnittelen piirilevyn ja jyrsitytän sen, niin sen takia olis enempi ku hyvä ettei tartte arvauksella kokeilla.. Ei meinaan huvita moneen kertaa piirtä sitä levyä, jyrsityttää ja sitte käydä aina reilun 100km:n päässä testaamassa... Tulee kalliiksi ja saattaa alkaa vituttaa jossaki vaiheessa.
GTATL Kirjoitettu 12. Tammikuuta, 2007 Kirjoitettu 12. Tammikuuta, 2007 B3 = sytyn maa ecm.ltä koita arvata seuraava, niin mä korjaan jos menee väärin
406cid Kirjoitettu 12. Tammikuuta, 2007 Kirjoitettu 12. Tammikuuta, 2007 Nuo värithän nyt on selvät, ja niin on kytkentä HEI-7 palikalta MS:sään. Kysymyshän taitaa olla vaan siitä, että minkäväriset piuhat menevät mihinkä kohtaan HEI-modulin piikkejä alkup. johtosarjassa, että saadaan tehtyä sovitinpalikka alkup. johtosarjasta MS:sään, oletan ? Tuo GTA Tulilinnun piirroshan on selvä piuhojen värien osalta, mutta HEI- modulin merkinnät eivät näytä ihan täsmäävän MS- sivuilla olevan kuvan ja tuon piirroksen kanssa... MS sivuilla olevassa HEI-7 palikassa on kolme piikkiä nimeltä : B, R, E Ja GTA:n piirroksessa taas on kolme piikkiä nimeltä : D, R, E (Tuo G on tietysti Ground niin siitä ei tarvitse välittää)
BlackZ Kirjoitettu 12. Tammikuuta, 2007 Kirjoittaja Kirjoitettu 12. Tammikuuta, 2007 Nuo värithän nyt on selvät, ja niin on kytkentä HEI-7 palikalta MS:sään. Kysymyshän taitaa olla vaan siitä, että minkäväriset piuhat menevät mihinkä kohtaan HEI-modulin piikkejä alkup. johtosarjassa, että saadaan tehtyä sovitinpalikka alkup. johtosarjasta MS:sään, oletan ? Tuo GTA Tulilinnun piirroshan on selvä piuhojen värien osalta, mutta HEI- modulin merkinnät eivät näytä ihan täsmäävän MS- sivuilla olevan kuvan ja tuon piirroksen kanssa... MS sivuilla olevassa HEI-7 palikassa on kolme piikkiä nimeltä : B, R, E Ja GTA:n piirroksessa taas on kolme piikkiä nimeltä : D, R, E (Tuo G on tietysti Ground niin siitä ei tarvitse välittää) Osuit aivan naulan kantaan! Nimenomaan olis tiedettävä minkävärisiä mikäkin noista HEI jakajan pinneissä olevista johdoista on, just sen adapterin takia. Ja kun arvailuun ei nyt ole varaa, ku teen kytkennästä suoraa piirilevyn ja jyrsitytän sen ja kasaan, niin ei tosiaan huvita alkaa arvailee nyt johtojen paikkoja/värejä. Piirilevyyn tulee kuitenki sen verran paljon vetoja ja tavaraa, että kaikki ne toiminnot tuon MS:n ja vakiojohtosarjan välisessä adapterissa toteutuu, ettei sen moneen jyrsimiseen ja kasaamiseen vaan riitä rahat eikä aika...
BlackZ Kirjoitettu 12. Tammikuuta, 2007 Kirjoittaja Kirjoitettu 12. Tammikuuta, 2007 B3 = sytyn maa ecm.ltä koita arvata seuraava, niin mä korjaan jos menee väärin Siis onko tuo nyt sama ku puolan - ? Vai onko sytytyksellä oma maa joka on erillään auton maadoituksesta?? Meikä ku ei näistä sytytyslaitteista ymmärrä mitään muuta ku sen, että kipinää sieltä tulpalle tulee... ;D Eikä muutenkaan juokse järki yhtään ku just salilta tullu ja miljoona hommaa tässä muutenki yhtäaikaa menos...
BlackZ Kirjoitettu 12. Tammikuuta, 2007 Kirjoittaja Kirjoitettu 12. Tammikuuta, 2007 Tehdäänpä tästä nyt mahdollisimman yksinkertaista että ei mene liian vaikeaksi. Kertokaapa noiden HEI-jakajalta lähtevien A-D (E, R, B) johtojen värit niin kytkentä on sillä selvä eikä tartte arvailla... Tarkistaisin ite jos auto ei olis reilun 100km päässä ettei tarvis teitä vaivata.... Autozonen piirikaavion mukaiset värit ECM:n liittimen päästä (vaan ei tuosta kaaviosta selitystä löydy miten nuo värit on HEI-jakajan päässä): ECM-LIITIN JOHDON VÄRI B3 BLK/RED B5 PPL/WHT D4 WHT D5 TAN/BLK
GTATL Kirjoitettu 12. Tammikuuta, 2007 Kirjoitettu 12. Tammikuuta, 2007 ??? olisko noin D4=A B5=B D5=C B3=D
BlackZ Kirjoitettu 12. Tammikuuta, 2007 Kirjoittaja Kirjoitettu 12. Tammikuuta, 2007 ??? olisko noin D4=A B5=B D5=C B3=D No kaiketi tuo B3 on ainaki oikein sen mitä minä oon ymmärtäny! Emmää vaan tiiä miten noiden muiden pitäs tulla... Perustuuko tuo kytkentäjärjestys nyt sitten arvaukseen vai tietoon??
GTATL Kirjoitettu 12. Tammikuuta, 2007 Kirjoitettu 12. Tammikuuta, 2007 Electronic Spark Timing Control (EST) eiköhän tuo kytkentä ole jus noin
BlackZ Kirjoitettu 12. Tammikuuta, 2007 Kirjoittaja Kirjoitettu 12. Tammikuuta, 2007 Electronic Spark Timing Control (EST) eiköhän tuo kytkentä ole jus noin Jep, suuret kiitokset! Jos ei kukaan esitä eriävää mielipidettä asiasta niin tehdään sit ton mukaan se piirilevy. En kyl ymmärrä miten noilla tässä topikissa esille tuoduilla tiedoilla tuon pystyi päättelemään että miten tuo kytkentä menee, mutta ei mun tarvi ymmärtääkään jos tuo vaan on oikein...
GTATL Kirjoitettu 12. Tammikuuta, 2007 Kirjoitettu 12. Tammikuuta, 2007 eikös tuo ole ilmiselvää. sori käsi vähän tärisee kun ole niin tsupissa e= est r= reference b=bybass
BlackZ Kirjoitettu 12. Tammikuuta, 2007 Kirjoittaja Kirjoitettu 12. Tammikuuta, 2007 eikös tuo ole ilmiselvää. sori käsi vähän tärisee kun ole niin tsupissa e= est r= reference b=bybass Aaaaa!!! Olisit heti sanonu! Enpä hoksannu yhdistää että nuo kirjaimet HEI-jakajassa oli lyhenteitä noista sanoista! ;D :-[ Taas näkee miten järki juoksee ku näiden hommien kans värkkää pari päivää putkeen, menee sokeaksi yksinkertaisilleki asioille!! Taidanpa iteki siirtyä tsuppailulinjalle ny viikonlopuksi ja antaa tuon auto- ja päättötyöprojektin taas vähä aikaa olla..! PS. Mikäs kaapeli se tuohon kirkkovenettä muistuttavaan kytketään..?! :o ;D ;D
GTATL Kirjoitettu 12. Tammikuuta, 2007 Kirjoitettu 12. Tammikuuta, 2007 kytkentä tulostetaan ja nuollaan
Juhani LS1 Kirjoitettu 12. Tammikuuta, 2007 Kirjoitettu 12. Tammikuuta, 2007 AI Saa.....na et et pisti hyvän , asiaa jenkeillä melkein aina merkinnöissä järki. High Energy Ignition heheh HEI
BlackZ Kirjoitettu 15. Tammikuuta, 2007 Kirjoittaja Kirjoitettu 15. Tammikuuta, 2007 Tuo varmaanki on oikein tuo kytkentä minkä gta tulilintu laittoikin kun noinhan se ohjeissa käsketään kytkemään, mutta yksi ihmetys tuossa heräsi kun tuota alkoi tarkkaan tutkimaan Kun lukee noita Camaron kytkentäkaavioita, niin valkoinen johto menee siinä kierroslukumittarille, eli Camaron alkuperäisen liittimen D4 johto (WHT, EST). Ja nyt tuossa gta tulilinnun esittämässä kytkentäjärjestyksessä Megasquirtin TACH liittimen kohtaan (eli pin24, mihin MS:n ohjeiden mukaan pitää tuoda joko puolan - tai "Tach terminal") tuodaankin alkuperäisen liittimen pinni B5 (BBL/WHT, Reference). Onkos tässä nyt mitään ihmeellistä tai huolestuttavaa?? Tuo eroavaisuus saattaa tietty vaan johtua Megasquirtin vaatimasta erilaisesta kytkennästä kuin mitä pelkästään johtoja "lukemalla" vois päätellä, kunhan nyt toin esille tuon asian ku huomasin johtojen kytkennässä tuommosen pikku jutun... Kommentoikaa ne jotka asiasta jotaki ymmärtää.
406cid Kirjoitettu 15. Tammikuuta, 2007 Kirjoitettu 15. Tammikuuta, 2007 Katsoppa tarkemmin Tulilinnun kuvaa, jossa on HEI-7 moduli ja sen sisälmykset blokkikuvina, sekä mikä signaali menee mihinkäkin... 1. VR- anturi (pick-uppi) menee P ja N nastoihin.... 2. P ja N nastat sinkoilevat "signal converter"- blokkiin, eli siinä muunnetaan VR- anturin vaihtosähkösignaali (luultavasti simppelillä zero-crossing-detector kytkennällä) kanttiaalloksi 3. "Signal converter"- blokin lähdöstä lähtee sekä "R" nastaan että "vaihtokytkimeen" signaali. "R" nasta siis puskee pihalle kanttiaalloksi muokattua sytkytriggeriä. Tämä sinkku urheilee kohti eccu-boxin triggerituloa, megaruutassa tach-pinni siis. 4. Mystinen "vaihtokytkin". Tätä sitten ohjailee ""B" eli bypass-nasta. Niinkuin kuvasta näkee, Bypass joko kytkee HEI-modulin sytkälähtöön (=Ignition coil trigger signal) joko suoraan "signal converter"-blokilta tulevan signaalin taikka sitten "E" nastalta tulevan signaalin. 5. ELIKKÄS, bypassilla kytketään joko ECU:n kautta kulkeva sinkku (eli väylä on silloin "R" --> ECU --> "E") tai sitten suora triggerisinkku puolalle ilman ECU-ohjausta. Kun on suora sinkku käytössä niin se on suomeksi "ei ennakon ohjausta ECU:n kautta", eli kiinteä ennakko kun on lukittu jakaja. Että tällaista. (ei kai susta oo sähköinssi tulos...?)
BlackZ Kirjoitettu 15. Tammikuuta, 2007 Kirjoittaja Kirjoitettu 15. Tammikuuta, 2007 Eipä oo sähköinssi tulos, onneksi... ;D M&T inssiksi ehkä tässä valmistun, mut pitäshän se jaksaa tuo silti ymmärtää. Mulle nää sytytysjärjestelmät vaan on ihan hepreaa ku en oo ikinä aikaisemmin ollu näiden kanssa missään tekemisis (muutaku jakajaan huoltosarjan oon laittanu ja tulpat muutaman kerran vaihtanu, muuten ei mitään kokemusta)... Joo löysin MS:n englanninkielisiltä sivuiltakin jo vastauksen tuohon mun kysymykseen.. "The 7 Pin HEI Module With a GM HEI 7-pin (and 8-pin modules), the ignition module wires you need to know about are: * tach signal is a purple wire with a white trace [pin R] * advance control signal is a white wire [pin E] * override (cranking) signal is a tan wire with a black trace [pin B] * ground is a black wire with a red trace [grounded to distributor case]" Nyt on selvänä toi homma suurinpiirtein, hyvä että te ootte viisaampia ku meikä näiden sytytysjärjestelmien suhteen... ;D PS. Ja eikös tää palsta oo olemassa mm. sen takia että täällä voi kysyä asioita joista ei ite ymmärrä, eihän kukaan oo seppä syntyessään (tai no meikä ei ainakaan..)... ;D
406cid Kirjoitettu 16. Tammikuuta, 2007 Kirjoitettu 16. Tammikuuta, 2007 "The 7 Pin HEI Module With a GM HEI 7-pin (and 8-pin modules), the ignition module wires you need to know about are: * tach signal is a purple wire with a white trace [pin R] * advance control signal is a white wire [pin E] * override (cranking) signal is a tan wire with a black trace [pin B] * ground is a black wire with a red trace [grounded to distributor case]" Tuohan selitys tosiaan myös selvittää asian lopullisesti. "R" on kanttiaalloksi muunnettu triggersignaali, käypää tavaraa sekä ECU:lle että esim. rundimittarille "E" on ECU:lta (tai muulta sytkän ajoituksenmuokkausvermeeltä, esim. MSD:n retard-palikalta) HEI- modulille tuleva signaali "B" on bypassi jolla valitaan, ohjataanko sytkyä "E" pinniltä tulevalla sinkulla vai suoraan HEI- modulin sisäisesti. Tuo bypass on vastaava kuin esim. Boschin moduleissa oleva toiminto, eli Boschin moduli menee automaattisesti 10ast kiinteään ennakkoon jos ECU:lta tuleva pulssi katoaa, eli sisäinen "Limp Home" toiminto. Tässä tapauksessa bypass:ia käytetään myös starttipyörityksen aikana, eli starttauksessa ECU ei anna ennakkoa vaan se on kiinteä.
406cid Kirjoitettu 18. Tammikuuta, 2007 Kirjoitettu 18. Tammikuuta, 2007 Onkos homma edennyt tällä saralla?
BlackZ Kirjoitettu 18. Tammikuuta, 2007 Kirjoittaja Kirjoitettu 18. Tammikuuta, 2007 Onkos homma edennyt tällä saralla? On on, adapterista puuttuu enää vain turbiinilukituksen kytkennät Muuten adapterin kytkennät on hahmotettu täydellisesti adapteriin joka tulee Megasquirtin ja vakiojohtosarjan väliin, sisältää MS:n kaikki normi kytkennät + bensapumpun ohjauksen (ON-OFF-MS), flektin ohjauksen, sytytyksen ohjauksen (eli HEI-jakajan kytkennät), nakutustunnistuksen jne. Eli täydellinen adapteri Megasquirtin lähes "bolt-on" asennukseen f-bodyyn ja miksei muihinki TPi-vehkeisiin... Vielä mietin häiriösuojauksia yms. että adapterista tulis myös mahdollisimman hyvin toimiva. Niin ja turbiinilukitus on vielä kehityksen alla... Megasquirtin päätin rakentaa tuon alkuperäisen ECM:n kotelon sisään, joten adapterikin mahdutetaan samaan koteloon -> asennus helpottuu entisestään eikä tule ylimääräisiä boxeja kojelaudan alle.
406cid Kirjoitettu 18. Tammikuuta, 2007 Kirjoitettu 18. Tammikuuta, 2007 On on, adapterista puuttuu enää vain turbiinilukituksen kytkennät Muuten adapterin kytkennät on hahmotettu täydellisesti adapteriin joka tulee Megasquirtin ja vakiojohtosarjan väliin, sisältää MS:n kaikki normi kytkennät + bensapumpun ohjauksen (ON-OFF-MS), flektin ohjauksen, sytytyksen ohjauksen (eli HEI-jakajan kytkennät), nakutustunnistuksen jne. Eli täydellinen adapteri Megasquirtin lähes "bolt-on" asennukseen f-bodyyn ja miksei muihinki TPi-vehkeisiin... Vielä mietin häiriösuojauksia yms. että adapterista tulis myös mahdollisimman hyvin toimiva. Niin ja turbiinilukitus on vielä kehityksen alla... Megasquirtin päätin rakentaa tuon alkuperäisen ECM:n kotelon sisään, joten adapterikin mahdutetaan samaan koteloon -> asennus helpottuu entisestään eikä tule ylimääräisiä boxeja kojelaudan alle. MS:n kanssa kannattaa syötön, maadoitukset ja häiriösuojaukset katsoa kuntoon koska se on kyllä herkempi häiriöille kun aftermarket-ecuboxit. Ja jos aikoo lähtöjä (esim. FIDLE ja FUEL PUMP etc etc) kuormittaa enemmän kannattaa laittaa pikkuisten 2N2222 trankkujen tilalle esim. TIP122 trankut.
Recommended Posts
Luo uusi käyttäjätili tai kirjaudu sisään
Sinun täytyy olla jäsen osallistuaksesi keskusteluun
Luo käyttäjätili
Rekisteröi uusi käyttäjätili helposti ja nopeasti!
Luo uusi käyttäjätiliKirjaudu sisään
Sinulla on jo käyttäjätili?
Kirjaudu sisään